หน้าแรก
ข่าวเด่น
เรื่องฮิต
สมาร์ทโฟน&ไอที
ยูทูป
สุขภาพ-ชีวิต
เชิงช่าง
อิเล็กฯ-ไฟฟ้า
เกษตร
อาหาร
เข้าสู่ระบบ
สมัครสมาชิก
เข้าสู่ระบบ
สมัครสมาชิก
หน้าแรก
ข่าวเด่น
เรื่องฮิต
HOT
สมาร์ทโฟน&ไอที
ยูทูป
สุขภาพ-ชีวิต
เชิงช่าง
อิเล็กฯ-ไฟฟ้า
เกษตร
อาหาร
อิเล็กฯ-ไฟฟ้า
»
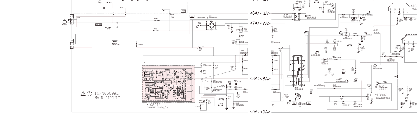
ภาคจ่ายไฟ PANASONIC รุ่นTC-29gx20b แท่นGP41
ภาคจ่ายไฟ PANASONIC รุ่นTC-29gx20b แท่นGP41
11 มีนาคม 2017
6435
0
share
tweet
share
ยกเลิกการตอบ
ความเห็น
ชื่อ
อีเมล์